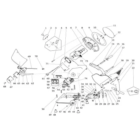
Groupe glissant HBS-300 Trancheuse HBS
Groupe glissant HBS-350 Trancheuse HBS
Groupe glissant HBS-300 Trancheuse HBS
Groupe glissant HBS-350 Trancheuse HBS

Groupe glissant HBS-350 Trancheuse HBS

RCH0004350

Sur demande à l\'usine
45,00 €
HT

Description

Groupe glissant HBS-350 Trancheuse HBS

Détails du produit

Reviews (0)

No reviews
Product added to wishlist
Product added to compare.