Adjuster Job Zone Ribbon Saw HLS1650
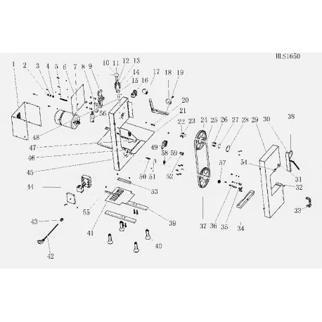
Close Door   Saw  HLS-1650
Adjuster Job Zone Ribbon Saw HLS1650
Close Door   Saw  HLS-1650

Close Door Saw HLS-1650

RCH0000271

en_US.UTF-8

On request from the factory
€4.50
Tax excluded

Description

Close Door  Tape Saw  HLS-1650

Product Details

Reviews (0)

No reviews

On sale

Product added to wishlist
Product added to compare.