Resistencia 3000W Freidora EF-102B EF-101B.
Resistencia Freidora 3000W 160x250x205mm Ancho-Hondo-Alto
Resistencia 3000W Freidora EF-102B EF-101B.
Resistencia Freidora 3000W 160x250x205mm Ancho-Hondo-Alto

Resistencia Freidora 3250W 155x240x200mm EF-161V Ancho - largo - Alto Tubo 8mm Racor 12mm Paso 2,5 Cable Tornillo M4

RCH0003695

Bajo pedido a fábrica
24,00 €
Impuestos excluidos

Descripción

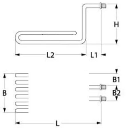
Resistencia Freidora 3250W 155x240x200mm EF-161V Ancho - largo - Alto Tubo 8mm Racor 12mm Paso 2,5 Cable Tornillo M4
potencia 3250 W
tensión 230 V
número de espirales 1
B 155mm
B1 28mm
B2 100mm
L 270mm
L1 30mm
L2 240mm
H 200mm
diámetro de tubo 8 mm
empalme M4
tamaño de rosca M12x2,5
tipo de sujeción sujeción 2 orificios
tipo de aplicación resistencia de inmersión

Detalles del producto

Opiniones (0)

No reviews
Producto añadido a favoritos
Producto añadido al comparador