Resistencia 3000W Freidora EF-102B EF-101B.
Resistencia Freidora 3000W  205x220x135mm  EF
Resistencia 3000W Freidora EF-102B EF-101B.
Resistencia Freidora 3000W  205x220x135mm  EF

Resistencia 3000W Freidora 135x210x200mm EF-131V Ancho - largo - Alto

RCH0008682

Bajo pedido a fábrica
25,00 €
Impuestos excluidos

Descripción

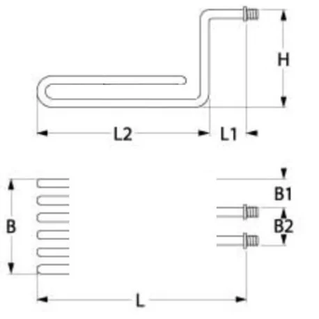
Resistencia 3000W Freidora 135x210x200mm EF-131V Ancho - largo - Alto Tubo 8mm Racor 12mm Paso 2,5 Cable Tornillo M4
potencia 3000 W
tensión 230 V
número de espirales 1
B 135mm
B1 18mm
B2 100mm
L 240mm
L1 30mm
L2 210mm
H 200mm
diámetro de tubo 8 mm
empalme M4
tamaño de rosca M12x2,5
tipo de sujeción sujeción 2 orificios
tipo de aplicación resistencia de inmersión


Detalles del producto

Opiniones (0)

No reviews
Producto añadido a favoritos
Producto añadido al comparador